產品特點:
1.體積小
2.輸出電壓無級可調
3.DC24V輸入電壓
4.外部觸發功能
工作系統示例
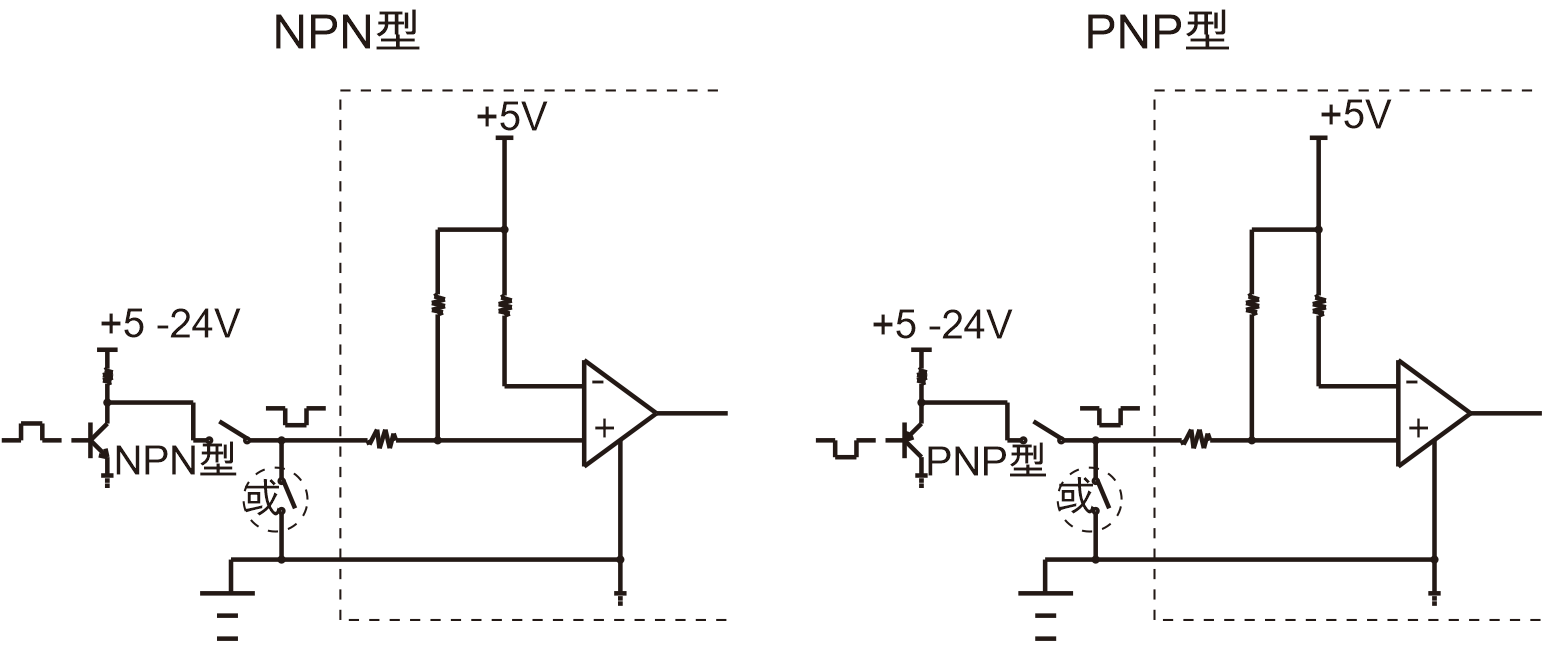
常用外部觸發信號接線方法
LTS-APC24-2F,TS往上拔(輸出常亮),當NPN型輸入高電平(5-24V),光源熄滅;PNP型輸入低電平(0-1.5V),光源熄滅。
LTS-APC24-2F,TS往下拔(輸出常滅),當NPN型輸入高電平(5-24V),光源點亮;PNP型輸入低電平(0-1.5V),光源點亮。

控制器型號
|
類型 |
型號 |
輸出電壓 |
總輸出功率 |
單路輸出最大功率 |
通道數 |
外部觸發電壓 |
|
模擬控制盒 |
LTS-APC24-2F |
24V |
48W |
24W |
2 |
0-1.5V |
|
LTS-3APC2460-2F(新款) |
24V |
60W |
30W |
2 |
0-1.5V |
